
步进电机是将电脉冲信号转变为角位移或线位移的开环控制元步进电机件,通过控制施加在电机线圈上的电脉冲顺序、频率和数量,可以实现对步进电机的转向、速度和旋转角度的控制。配合以直线运动执行机构或齿轮箱装置,更可以实现更加复杂、精密的线性运动控制要求。步进电机一般由前后端盖、轴承、中心轴、转子铁芯、定子铁芯、定子组件、波纹垫圈、螺钉等部分构成,步进电机也叫步进器,它利用电磁学原理,将电能转换为机械能,是由缠绕在电机定子齿槽上的线圈驱动的。通常情况下,一根绕成圈状的金属丝叫做螺线管,而在电机中,绕在定子齿槽上的金属丝则叫做绕组、线圈、或相。
![]() |
• 工作原理步进电机驱动器根据外来的控制脉冲和方向信号,通过其内部的逻辑电路,控制步进电机的绕组以一定的时序正向或反向通电, 使得电机正向/反向旋转,或者锁定。 以1.8度两相步进电机为例:当两相绕组都通电励磁时,电机输出轴将静止并锁定位置。在额定电流下使电机保持锁定的最大力矩为保持力矩。如果其中一相绕组的电流发生了变向,则电机将顺着一个既定方向旋转一步(1.8度)。同理,如果是另外一项绕 组的电流发生了变向,则电机将顺着与前者相反的方向旋转一步(1.8度)。当通过线圈绕组的电流按顺序依次变向励磁时,则电 机会顺着既定的方向实现连续旋转步进,运行精度非常高。对于 1.8度两相步进电机旋转一周需200步。
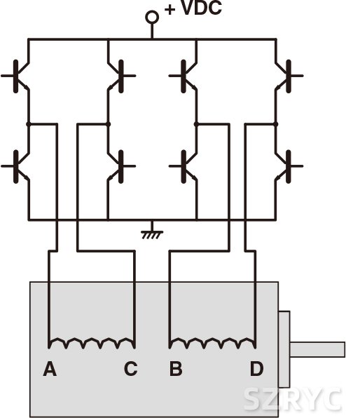
两相步进电机有两种绕组形式:双极性和单极性。双极性电机每相上只有一个绕组线圈,电机连续旋转时电流要在 同一线圈内依次变向励磁,驱动电路设计上需要八个电子开关进 行顺序切换。 |
![]() |
| 2相(双极性)步进电机 | |
![]() |
|
| 2相(单极性)步进电机 |
• 准确位置控制
步进电机以一个固定的步距角转动,就像时钟内的秒针。这个角度称为基本步距角。鸣志提供两种基本步距角来作为标准电机:基本步距角为1.8°的两相步进电机和基本步距角为1.2°的三相步进电机。 • 简单的脉冲信号控制需高精度定位的系统如下所示。控制器发出的脉冲信号可以准确地控制步进电机的转动角度和速度。 |
![]() |

|
脉冲信号是一个电压反复在ON 和OFF 之间改变的电信号。 每个ON/OFF 周期被记为一个脉冲。单个脉冲信号指令使电机出力轴转动一步。 对应电压ON 和OFF 情况下的信号电平被分别称为“H”和“L”。 |
![]() |
|
步进电机的转动距离正比于施加到驱动器上的脉冲信号数(脉冲数)。 步进电机转动(电机出力轴转动角度)和脉冲数的关系如下所示: |
![]() |
![]() |
|
步进电机的转速与施加到驱动器上的脉冲信号频率成比例关系。 电机的转速[r/min] 与脉冲频率[Hz] 的关系如下(整步模式): |
![]() |
![]() |
步进电机的重要特征之一是高力矩、小体积。
这些特征使得电机具有优秀的加速和响应,使得这些电机非常适合那些需要频繁启动和停止的应用中。
鸣志也有带减速机型电机可供选择,以满足低速下更高力矩的需求。
• 能够频繁启动/ 停止 |
• 相同尺寸下的伺服电机与步进电机的速度力矩特性比较 |
![]() |
![]() |
• 电机在停止位置自保持绕组通电时步进电机具有全部的保持力矩。这就意味着步进电机可以在不使用机械刹车的情况下保持在停止位置。 |
![]() |
• 装有电磁刹车的电机一旦电源被切断,电机自身的保持力矩丢失,电机不能在垂直操作中或施加外力作用下保持在停止位置。在提升和其它相似应用中需要使用带电磁刹车的电机。 |
![]() |
• 闭环伺服控制步进电机 |
![]() |
![]() |
|
|
鸣志创新性地将伺服控制技术融入步进电机之中,创造出具有全新优异性能表现的运动控制终端—步进伺服。步进伺服驱动器大大提升了步进电机的运行效果,具有控制更智能、运行更高效、结构更紧凑、定位更准确、运行更快速和平滑等诸多特点。 |
