
NTC热敏电阻(Negative Temperature Coefficient Thermistor)是一种阻值随温度升高而下降的电阻器件。本质上是一种具有较大负温度系数的电阻器,利用它所具有的这一温度特性(即阻值R与温度T之间的负相关性R-T图)。它不仅被广泛的应用在各种电源,电机控制等大电流、高电压电路场合中用来抑制吸收、消除电路暂态过程中的浪涌电压和电流(功率型NTC热敏电阻主要功能),而且它还广泛的应用于各种电子温度测量仪表、电子开关、家用电器等设备中,其主要作用是用来作为精确测量和温度精确控制的敏感元件,它和热电偶,铂电阻(PT100、Cu100等),被称为测温领域中最常用的三大敏感元件之一。
先进的充电技术不仅需要电池具备尽可能大的容许温度,而且还需确保最高容许温度下的充电电流低于电池最大充电电流。当充电电流导致电池达到温度上限时,充电电池必须非常准确地减小电流,避免发生损坏。电池温度变化检测越准确、越迅速,充电电流调节就越精确、越快速。这一技术既能确保电池在最短的时间内完成充电,也能避免电池过热。
对于快速充电等应用,有必要也测量环境温度,以避免环境与电池之间的温差过大。为此,客户需将第二个NTC热敏电阻直接置于至充电电路板上。下图展示了此类典型电路。

D-53为NTC热敏电阻温度传感器(temperaturesensor)25度时电阻5K控温范围0-150度

参见图中所示的简单直流桥式电路,用于使用热敏电阻生产厂家进行精密测量。电阻R2和R3的正确选择将消除ΔV的平均DC值。


如图2为热敏电阻传感器运用同相放大电路进行温度测量的接口电路,该接口电路利用电阻器对热敏电阻传感器进行线性化,接口电路有电压模式和电阻模式。二者的作用都是实现线性化。图2用固定电阻器R1就可以实现线性化,称为电压模式。
电阻R1将热敏电阻的电压拉升到参考电压,一般它与ADC的参考电压一致,因此如果ADC的参考电压是5V,Vref也将是5V。热敏电阻和电阻串联产生分压,其阻值变化使得节点处的电压V1也产生变化,该电路的精度取决于热敏电阻和电阻的误差以及参考电压的精度。
为了确保功率半导体元件、逻辑元件、微控制器和处理器正常运行,必须极力避免过热现象。凭借紧凑的尺寸(如EIA0402),新型SMDNTC热敏电阻可直接置于微控制器及电路板上的其他热点附近。由于焊点与电路板可形成良好的热接触,而且元件的自发热微乎其微,因此新型热敏电阻能够对半导体敏感部件进行高精度温度监测。由于爱普科斯(EPCOS)SMDNTC热敏电阻具有极高的耐热冲击性能,因此该系列热敏电阻不仅适合回流焊接工艺,而且适合波峰焊接。设计人员可将热敏电阻放置在电路板底面,如微控制器背面,确保即使大尺寸微控制器也能形成极佳的热接触。下图展示了典型的微控制器保护电路。

在LED照明系统中,SMDNTC热敏电阻既能帮助实现较高发光效率,也能延长LED的使用寿命。LED光源效率很大程度上取决于半导体结的温度。由于极端温度将导致功率退化加快、光强减弱、色偏以及使用寿命显著缩短,甚至导致LED系统完全损坏,而温度过低则会导致发光效率降低,进而导致每体积单位的流明值降低,因此客户必须极力避免此类现象发生。为了获得最大效率,温度必须处于规定的最佳温度范围内(典型的LED应用为70℃至90℃)。
如果LED电路安装了SMDNTC热敏电阻,最佳工作温度的每一次变化都会引起NTC部件阻值的显著变化。经过比较器评估,流经LED的电流会随即减少,LED的功率损耗也会随之降低,进而延长使用寿命。下图展示了相应的电路。我们提供配备爱普科斯(EPCOS)SMDNTC热敏电阻的样品工具包,专供LED照明系统开发人员使用。
除了标准系列,我们还开发了汽车系列。新型汽车系列NTC热敏电阻已通过AEC-Q200认证,适合最高温度+150℃的应用,可用于ECU、空调系统等汽车电子设备及电池温度监测或充电系统。

测温型NTC热敏电阻在电路中的读取方法:
NTC热敏电阻(Negative Temperature Coefficient Thermistor)是一种阻值随温度升高而下降的电阻器件。本质上是一种具有较大负温度系数的电阻器,利用它所具有的这一温度特性(即阻值R与温度T之间的负相关性R-T图)。它不仅被广泛的应用在各种电源,电机控制等大电流、高电压电路场合中用来抑制吸收、消除电路暂态过程中的浪涌电压和电流(功率型NTC热敏电阻主要功能),而且它还广泛的应用于各种电子温度测量仪表、电子开关、家用电器等设备中,其主要作用是用来作为精确测量和温度精确控制的敏感元件,它和热电偶,铂电阻(PT100、Cu100等),被称为测温领域中最常用的三大敏感元件之一。

由于NTC电阻的阻值R和温度T有某种函数关系,因此,就可以根据NTC热敏电阻的阻值来间接感知被测对象的温度值,这样一来,测量(感知)被测对象的温度值就变成了如何去检测NTC热敏电阻的阻值问题,常用的具体的读取电路(采样值的获取电路)如下:
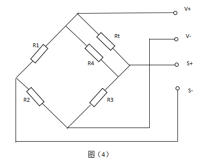
(三)变形的惠斯顿电桥读取电路:见图(4)。
原理:众所周知,NTC热敏电阻的R-T特性总在某段温区内存在着非线性,这种非线性给某些需要宽温区全程测量的应用带来了一定的困难,就是需在读取阻值变化值時要进行适当的非线性矫正,非线性越大矫正起来越难。为降低非线性矫正的难度通常在NTC热敏电阻Rt的两端,并联适当电阻R4,其目的就是降低Rt阻值在随温度变化时的非线性程度,以利于矫正电路的设计。但同时也会相应降低NTC热敏电阻对温度的敏感性。
特点:读取数据精度较高,温度覆盖范围广,成本略高。
△V的数值与恒压源的稳定性和精度有关,与NTC热敏电阻的自热有关。△V的大小范围与恒压源的大小及R1,R2,R3的大小有关。

(四)高精度、宽范围数据读取采样电路(凯尔文电桥电路)。
当需要测量温度的精度达到万分之一,千分之一摄氏度時,被测电阻的引线电阻值和电桥电路构成的引线电阻值都不能忽略时,在现代电测技术,精准自控测量领域普通使用凯尔文电桥技术来完成随温度变化的阻值数据读取方式,电路如图(5)所示。
电路采用双臂桥路构成,有效的消除了测温元件和电路构成引线电阻值和相应的接触电阻对测量精度的影响。此种电路广泛的应用于科学研究、天体空间之间和某些军工制造等测量领域中。目前,用此种电路构成的测温电路,可测温度范围已达到K~K 范围。
