
热电偶、热电效应和热电效应原理
热电偶(thermocouple)是把两种不同材料的金属的一端连接起来,利用热电效应来测量温度的传感器。
1821年,德国科学家托马斯·约翰·塞贝克发现了电流热效应的逆效应:即当给一段金属丝的两端施加不同温度时,金属丝两端会产生电动势,闭合回路后金属丝中会有电流流过。这种现象被称为“热电效应”,也叫“塞贝克效应”。
热电效应原理:如图1,用两种不同颜色表示两种不同的金属材料,A、B 端在常温环境中用于测温端口,称为冷端。C点为被测端,由于热电效应,在 A端和C端以及B端和C端之间温度不同,所以会产生电势差。而因为两种金属材料的不同,导致这两个电势差不一样,最终A端和B端也有了电势差,经测量AB之间的电势差,再对参考金属特性值和冷端温度进行查表校准,最后就可以通过测量AB端输出的电势差来得到对应C端的温度值了。

图1
热电偶种类
中国标准化热电偶从1988年1月1日起按IEC国际标准生产,并指定S、R、B、K、J、T、N、E八种标准化热电偶为中国统一设计型热电偶(如图2)。

图2
S、R、B型热电偶使用的金属比较贵重,所以价格相对较高;K、T、J、N、E型热电偶使用的金属比较廉价,所以相对价格较便宜。下面介绍这几种热电偶的测温范围以及优缺点:
S、R、B型热电偶
S、R型和B型热电偶长期最高使用温度分别为1300℃和1600℃,短期最高使用温度分别为1600℃和1800℃。优势:具有准确度最高,稳定性最好,测温温区宽,使用寿命长等优点。它的物理、化学性能良好,热电势稳定性及在高温下抗氧化性能好,适用于氧化性和惰性气氛中。
S型热电偶具有优良的综合性能,符合国际使用温标的S型热电偶,曾长期作为国际温标的内插仪器。“ITS-90”虽被规定今后不再作为国际温标的内插仪器,但国际温度咨询委员会(CCT)认为,S型热电偶仍可用于近似实现国际温标。
R型热电偶的综合性能与S型热电偶相当。B型热电偶与S和R相似,但不适用于还原性气氛或含有金属或非金属蒸气气氛中。但其明显的优点是不需用补偿导线进行补偿,因为在0~50℃范围内热电势小于3μV。
T、R、B型热电偶劣势:此类热电偶的热电势率较小,灵敏度低,高温下机械强度下降,对污染非常敏感,贵金属材料昂贵。
K、N、E、J、T型热电偶
测温范围以及优势和劣势见表1:

表1
补充:N型热电偶克服了K型热电偶的两个重要缺点:K型热电偶在300~500℃间,由于镍铬合金的晶格短程有序而引起的热电动势不稳定;在800℃左右,由于镍铬合金发生择优氧化引起的热电动势不稳定。
热电偶的优缺点
优点:
a.温度范围广:从低温到喷气引擎废气,热电偶适用于大多数实际的温度范围。热电偶测量温度范围在–200°C至+2500°C之间,具体取决于所使用的金属线。
b.坚固耐用:热电偶属于耐用器件,抗冲击振动性好,适合于危险恶劣的环境。
c.响应快:因为它们体积小,热容量低,热电偶对温度变化响应快,尤其在感应接合点裸露时。它们可在数百毫秒内对温度变化作出响应。
d.无自发热:由于热电偶不需要激励电源,因此不易自发热,其本身是安全的。
缺点:
a.信号调理复杂:将热电偶电压转换成可用的温度读数必须进行大量的信号调理。一直以来,信号调理耗费大量设计时间,处理不当就会引入误差,导致精度降低。
b.精度低:除了由于金属特性导致的热电偶内部固有不精确性外,热电偶测量精度只能达到参考接合点温度的测量精度,一般在1°C至2°C内。
c.易受腐蚀:因为热电偶由两种不同的金属所组成,在一些工况下,随时间而腐蚀可能会降低精度。因此,它们可能需要保护;且保养维护必不可少。
d.抗噪性差:当测量毫伏级信号变化时,杂散电场和磁场产生的噪声可能会引起问题。绞合的热电偶线对可能大幅降低磁场耦合。使用屏蔽电缆或在金属导管内走线和防护可降低电场耦合。测量器件应当提供硬件或软件方式的信号过滤,有力抑制工频频率(50 Hz/60 Hz)及其谐波。
热电偶和热电阻的选择要素
我们可以根据以下要素来进行热电偶和热电阻的选择。
需要测量的温度范围:500℃以上一般选择热电偶,500℃以下看应用环境来选择。
测量范围选择:热电偶所测量的一般指“点”温,热电阻通常用于测量空间温度。
冷端补偿
由于热电效应的原理。因此,需要一个额外的温度传感器来测量参考点温度,此参考点也就是我们常说的冷端补偿点。
常见的几种冷端补偿传感器分别如下:
1.热敏电阻:响应快、封装小。但要求线性,精度有限,尤其在宽温度范围内。要求激励电流,会产生自发热,引起漂移。结合信号调理功能后的整体系统精度差,只适合测量精度低、低成本的应用场合。
2.电阻式温度测量器(RTD):RTD相比热敏电阻,更佳精确、稳定且特性线性,但封装尺寸和成本,相对热敏电阻高。因为需要良好匹配的激励源和采样电路,所以设计相对更复杂,需要的外围器件更好。用RTD作为冷端补偿的热电偶测量系统,通常对系统级精密度要求更高。
3.集成式温度传感器:集成温度传感器是一种以半导体工艺制成的集成式测温元件。通过半导体工艺技术,将测温等模拟单元获得的信息数字化输出,高集成度,可获得远低于1°C的系统级精度。外围电路设计简单,可直接和MCU进行通讯,同样针对高精度热电偶采集系统的冷端补偿方案,使用和设计都最为简单。
集成式温度传感器ADT7320
技术型授权代理商Excelpoint世健的工程师David Liu介绍了一款ADI典型的、用于冷端补偿的温度传感器—— ADT7320。功能框图如图3:

图3
ADT7320是一款高精度数字温度传感器,使用16位ADC来监测和数字化温度参数,其分辨率为0.0078°C。默认情况下,ADC分辨率设置为13Bit (0.0625°C)。其原理是,内部温度传感器产生与绝对温度成比例的电压,这个电压与内部的参考电压做比较,然后输入到精密数字调制器中。
内部温度传感器在整个额定温度范围内具有较高的精度和线性度,无需用户进行校正或校准。
另外,它拥有过温报警功能,对功能安全性带来保障。外输出端口、INT和CT,使其可以在超高温或低温的情况下,通过一个10K的上拉电阻,直接向后端MCU发出中断信号。
ADI可提供的热电偶测量之模拟前端
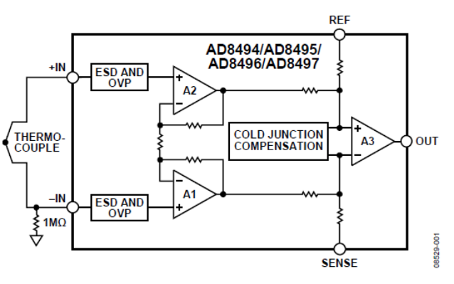
AD8494/AD8495/AD8496/AD8497 热电偶放大器为热电偶温度测量信号调理前端提供了一种简单的低成本解决方案。针对热电偶采样端,在现场设计中往往还要考虑其共模干扰信号,以及ESD和过压保护等因素。

图4
AD849x专为测量和放大J型和K型热电偶信号而优化,通过CMOS工艺不仅在其前端集成了ESD和过压保护功能,其优异的抗共模能力使其拥有5mV/°C系统级线性响应Vout=(TMJ × 5 mV/°C)+VREF,其中TMJ表示热电偶的测量结温。AD849x同系差异化对比如图5:

图5
ADI可提供的热电偶测量之集成方案篇
David Liu介绍,ADI可提供多款热电偶测量集成方案。
AD7124
AD7124-4/AD7124-8是一款以24bit ADC为核心,内部高集成MUX、PGA、REF等,针对热电偶热电阻测量直接接入型的完整解决方案。可实现高分辨率、低噪声性能和低非线性度误差能力。
片内低噪声PGA,可通过软件灵活调整增益编程范围(1、2、4、8、16、32、64、128),来调整输入信号的幅度,达到ADC的有效采样范围。增益级具有高输入阻抗,输入漏电流在全功率模式下不超过3.3 nA,在低功耗模式下为1 nA(典型值)。
图6所示电路是针对典型的热电偶,用RTD作冷端补偿的参考设计。使用两个模拟输入引脚来连接热电偶(AIN2、AIN3),以及三线RTD电路(AIN1、AIN6、AIN7)。AIN2和AIN3配置为全差分输入通道,用于测量热电偶产生的电压。对于本电路,如图6所示,热电偶是浮空的。要将热电偶偏置到已知电平,AIN2上使能VBIAS电压发生器,使热电偶偏置到以下值:

热电偶测量是绝对测量,因而需要一个基准电压源,使用AD7124-4/AD7124-8内置2.5 V基准电压源。
针对冷结补偿,一个激励电流源用于激励RTD。此电流从AVDD产生,流向AIN1。图6详细显示了模拟引脚及其配置。
对于本电路,冷结电路采用基准输入REFIN1(±)。流经4线RTD(用于冷结测量)的电流也会流过精密基准电阻,产生基准电压。 此精密基准电阻上产生的电压与RTD上的电压成比例,因此,激励电流的波动会被消除。由于基准电压缓冲器已使能,务必满足正常工作所需的裕量(AVDD − 0.1 V和AVSS + 0.1 V)。0.125 V (500 μA × 250 Ω)的裕量由250 Ω接地电阻提供,如图6所示。

图6
LTC298X
LTC298X测量各种温度传感器并数字输出结果(以°C或°F为单位),具有0.1°C精度和 0.001° C 分辨率。LTC298X可以测量几乎所有标准(B、E、J、K、N、S、R、T 型)或自定义热电偶的温度,自动补偿冷端温度并实现结果线性化。该器件还可以使用标准的2、3或4 线式 RTD、热敏电阻和二极管来测量温度。它具有20个可重新配置的模拟输入,支持许多传感器连接和配置选项。LTC298X包括适用于每种温度传感器的激励电流源和故障检测电路。
LTC298X可直接与接地参考传感器接口,无需电平转换器、负电源电压或外部放大器。所有信号通过由内部 10ppm/°C(最大值)基准电压源驱动的三个高精度、24位 ΔΣ ADC 进行缓冲和同步数字化。

图7
AD7124 or LTC298X
精度:LTC298x具有 0.1°C 的准确度,AD7124在测量在−50℃至+200℃的测量温度范围内具有±1℃的整体系统精度。
通道:冷端补偿以4线RTD为例,LTC298x可以测量15路热电偶,AD7124-4可以测量2路热电偶,AD7124-8可以测量6路热电偶。
相对成本因素:LTC298X比AD7124较高,但它在提供更多采样路数的同时,减少了设计者对其校准的相关要求。而相对成本较低的AD7124-X,虽同样拥有较高的系统级采样精度,但可测量的路数较少,并且需要设计者对系统校准花费一定的精力。
保护:LTC298x系列产品带烧毁,短路和故障的自动检测功能。
总结
针对热电偶温度采集,世健可以提供专业、精确、灵活的ADI热电偶测量产品和方案,以及系统级采样方案,给设计者带来便捷!