
引言
TEA576x系列单片数字收音机被广泛地应用在数字音响,便携式CD、VCD、DVD、手机等数字消费电子系统里。但是由于该数字收音机芯片与传统的超外差式收音机的调谐原理有些不太相同,比如传统的超外差式收音机的固定中频为10.7Mz,而TEA576x系列数字收音机的固定中频为225KHz,由于固定中频不同,锁相环系统的软件控制就有很大的差别,这就给广大芯片应用设计者带来一定难度。本文就针对TEA576x系列数字收音机芯片的控制机理,详细地阐述了该芯片基于MCS-51单片机系统的应用软硬件设计。
TEA5768HL简介
TEA5768HL是一款适用于低电压环境的单片立体声FM数字调谐收音机。该芯片完全集成了IF频率选择和鉴频系统,而且只需要很少的低成本外围元件,硬件系统完全不需要调试。
TEA5768HL信号前端具有高性能的RF AGC电路,接收灵敏度高,并且兼容欧洲、美国和日本FM频段。参考频率选择灵活,可通过寄存器设置选择32.768KHz、13MHz晶体振荡器或者6.5MHz外部时钟参考频率。通过I2C系统总线进行各种功能控制,并通过I2C总线输出7位IF计数值。立体声解调器完全免调,软件控制SNC、HCC、暂停和静音功能。具有两个可编程I/O口,可用于系统的其它相关功能。
	
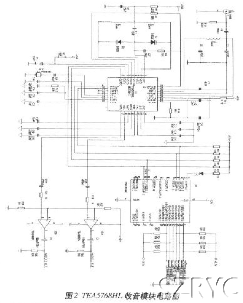
TEA5768HL数字收音机应用系统的硬件实现
如图1所示:TEA5768HL 数字调谐收音机应用系统的硬件模块主要由MCU(P89LPC932)控制电路、数字调谐收音(TEA5768HL)、音频信号放大(TDA1308)3大部分组成。其中MCU控制电路主要由低功耗MCS-51系列单片机P89LPC932、键盘及状态显示终端构成,是该应用系统的硬件平台,键盘用于输入对数字调谐收音机的各种操作,系统的各种工作状态由状态显示终端显示。P89LPC932内部集成了双时钟的80C51内核 ,而且片内包含有捕获/比较单元,2个模拟比较器, I2C 通信端口、SPI 通信端口、键盘中断输入、实时时钟、片内EEPROM 存储区、RC振荡器和看门狗定时器等,能适合于许多要求高集成度低成本的应用场合。由TEA5768HL构成数字调谐收音机模块,音频信号放大由TDA1308构成,完成数字调谐收音机的音频信号放大。MCU控制模块通过I2C总线完成对数字调谐收音机模块的所有控制,收音机模块输出的音频信号经由音频放大模块放大后输出到耳机或扬声器。TEA5768HL数字调谐收音模块的原理如图2所示。
	
软件设计
应用软件架构
基于P89LPC932单片机控制平台的TEA5768HL数字收音机的软件设计主要包括3部分:
1. I2C总线通信协议、键盘及显示终端驱动程序;
2. TEA5768HL 底层驱动,包括寄存器控制字的读写操作;
3. 应用层程序包括数字调谐收音机的各种应用功能的实现。
应用软件设计
整个应用层软件主程序由:系统初始化、键盘命令检测、系统状态信息读写、频道调谐、键盘命令处理和系统状态显示6大模块组成。TEA5768HL数字调谐收音机应用系统软件主程序流程如图3所示。其中系统初始化包括P89 LPC932的初始化、I2C通信初始化、系统状态信息读取和TEA5768HL控制寄存器的初始化。
	
关于键盘的扫描及键码识别程序,这里不再赘述,读者可以自行完成。所有的功能由键盘输入开启,所以键盘命令处理程序将完成该系统的所有功能。以下重点介绍TEA5768HL数字收音机的键盘命令处理程序。
键盘命令处理程序实现了暂停、手动搜索、自动搜索、广播频道切换、立体声/单声道切换、静音和键盘锁定7个常用功能,每一个功能由一个功能函数完成。
每个功能就是一个功能模块函数,键盘命令处理程序都是功能模块函数的调用。上述7个功能模块中,自动搜索和手动搜索是该数字调谐收音机系统程序功能模块的关键。
自动搜索功能模块函数
自动搜索功能模块函数主要由:FM广播频率设置、搜索频率设定、广播信号强度读取、IFC中频计数器读取、有效广播频道的判别、广播频道数据的存储和系统工作状态显示等部分组成。自动搜索功能模块函数流程如图4所示。
	
遵循图4流程编写自动搜索功能模块,将使系统能够很好地实现自动搜索功能,手动搜索相当于自动搜索的一个步进频率的搜索过程。不难发现,不管是自动搜索还是手动设定频率,如何调谐单个频率是关键,也是数字调谐收音机调谐广播电台的软件算法的核心。TEA5768HL数字调谐收音机系统通过调用一个功能函数来完成单个频率的调谐。
调谐单个频率功能模块函数
调谐单个频率功能模块函数包括:频率和锁相环数据的转换(调谐算法函数)、TEA5768HL调谐状态寄存器的设置、High/Low Injection 的优化选择以及TEA5768HL控制寄存器写操作。
结语
TEA5768HL数字调谐收音机是一个数字调谐系统。除了硬件平台,完全依靠MCU对其寄存器的控制就可以完成数字调谐收音机的所有功能。基于TEA5768HL的应用系统,性能可靠的硬件设计是基础,良好的软件架构是关键,而基于软件控制的 High/Low InjecTIon 优化选择和锁相环数据的精确转换则能确保系统更加可靠稳定地运行。