
电子音频开关的电路原理图

图中虚线所框部分,可对音频信号进行通断控制。此外,在输出端接一点位器可使信号倒相。
T1是一个微型音频隔离变压器,其次级绕组两端通过两个晶体管接地。T1一端的阻抗由Q1确定,另一端阻抗由Q2确定。如果双稳态的A输出为10V,A输出为低电位,则Q1正向偏置且导通,对地呈阻抗。同时,Q2反向偏置,变压器的另一端对地实际上是开路。如果双稳态的状态实际上是开路。如果双稳态的状态与此相反,则上述阻抗情况亦相反。
6种音频电子开关电路分析
一、LM0037/1038四路立体声切换开关电路
LM1037/1038系18脚DIP封装的电子音频开关集成电路,其内部电路框图及基本应用电路见图1。

LM1037/1038内含逻辑控制、电子开关、缓冲、静音控制等电路,其外围电路亦很简单。LM1037/1038的②和④脚、⑥和⑧脚、11和13脚、17和15脚分别为四路立体声的输入端,①、③、16、18脚为开关控制端。LMl037高电平有效,LM1038为BcD码控制。控制端为高电平或BcD码时,把1R1L~4R4L
中任意一组输入信号切换到F4F5缓冲器,缓冲后分别从⑨⑩脚输出。例如K1接“3”端时,2R2L端输入信号切换至⑨⑩脚,其余端输入信号与⑨、⑩脚处于断开状态。
⑦脚为静音控制端,高电平有效。⑦脚为高电平时,F4F5输入端分别被F3F2短路到地,⑨10脚无信号输出。Kl置空档“O”时,F1输出为高电平,F2F3短路F4F5的输入端,Ic也处于静音状态。
LM1037与LM1038的引脚功能、电参数均相同,区别仅在于控制端、前者为电平控制,后者为BCD码控制。 它们的主要电参数见表1。

二、TDA1029四路立体声切换开关电路
TDA1029的外围电路比LM1037/1038更简捷,仅三个控制端就能切换四路立体声。它虽然无静音功能,但失真度、信噪比等指标比LM1037/1038稍优越。典型应用电路如图2所示。

TDA1029主要电参数为:Vrr=6~25V,在20Hz~20kHz内典型失真度为0.01~0.03%,声道隔离度大于70dB(主要取决于外围元件),信噪比为12dB以上;输入电压最大为5.0V(RMS);可在低至400Ω的负载上获得电压增益为1,电流增益为10的五次方的信号输出;转换率为2V/us(1.3MHz)。
K分别接到1、2、3、4位时,INl和IN5、IN2和IN6、IN3和IN7、IN4和IN8端的输入信号分别切换到输出端。
三、轻触式四路立体声切换电路
图3为一例轻触式音频电子切换电路。

该电路由一块双四D锁存器4508和两块四双向模拟电子开关集成电路4066构成。4508的真值表见表2。4508的CP端在脉冲的上升沿作用下接收二极管D1~D4端数据,在高低电平期间接收的数据被锁存。cL端为“1”电平时无条件清零;EN=“l”电平时,输出Q1~Q4端为高阻态。这里cL和EN端不使用而接地。c1R1在开机时产生的脉冲用以对4508清零。
ANl~AN4为常开轻触式开关,任意按一下其中一个开关,例如AN3,+Vcc经AN3加至Icl的⑧、20脚,另一路径D2、加至Icl的②、14脚(cPl及cP2端)。在+Vcc上升沿作用下,Icl接收⑧、29脚数据(+Vcc),AN3松开后此数据被锁存,即Q13=Q23=“1”。Q23=“1”接通L声道电子开关;Q13=“l”使电子开关Ic2c导通,TuNE输入信号经R8、Ic2c送到TuNE输出端口。

图4为又一例轻触式四路立体切换电路。它是由4011及4052型CMos集成
电路构成的音频电子切换电路。4052的真值表见表3。

IC1构成二个RS触发器,若按一下AN1,则Icl⑤、13脚获瞬间低电平,输出端④、11脚翻转为高电平,Ic2a门⑧、⑨脚也为高电平,⑩脚变为低电平,LEDl被点亮,表明输入信号为PHONO;与此同时,Icl的③、⑩脚为“O”电平,即IC3的⑨、⑩脚为“00”电平,根据真值表Xout=X0,Yout=Y0,信号被切换到J11、J21输入端口。同理,按一下AN3,则信号被切换到J13、J23输入口。
四、遥控式音频电子切换开关电路
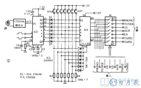
BA5048/5049为一对多通道遥控发射接收处理电路。5048为发射电路,5049为接收电路。

BA5048内含振荡器、分频计数器、时序脉冲发生器、驱动电路等。其应用电路见图5。②、③脚外接455kHz陶瓷振子,与内电路作用产生455kHz时基振荡信号,当任意按下一键时,键扫描信号经内部编码处理被调制在38kHz载频上,已调制信号从15脚输出,经V1放大后驱动红外发射管L1把信号发射出去。
接收与解调电路为大家熟知的CX20106A,此处简化成框图。cX20106A输出的数字信号送BA5049处理。原理如图6所示。

按下发射器上相应键后,Ic2的Q1~Q7相应的输出端输出正脉冲。例如,按一下cD键,Ic2 11脚输出一正脉冲,此正脉冲经二极管到IC3的D3端,同时也作用到cPl、cP2端。Ic3在其上升沿作用下接收D3端数据“1”,并在脉冲过去后锁存此数据,则有Q3=D3=“1”,M组件中K3接通,信号切换为cD信号。ANl~AN7为本机操作键,用于手动切换。这里M组件中K1~K7由用户自己选取,可以使用晶体管、继电器,模拟电子开关cD4066等,使用微小型继电器时,可以不失真地传送信号。
IC2还输出两个彼此反相的高低电平。按P+键,Ic2③脚为高电平,④脚为低电平;按P一键,③脚为低电平,④脚为高电平。③、④脚可用来控制电机的正转或反转等。
五、可与微处理器接口的音频切换与控制集成电路TDA8420
飞利浦公司的系列音频切换与控制Ic有TDA8420、TDA8425、TDA7300等,适合于与微机接口。图7为TDA8420的内部电路框图及基本应用电路。

TDA8420具有两路立体声输入选择、伪立体声、空间音色、高低音、音量控制等功能。上述功能的控制通过CLOCK、DATA、ADDRESS端与微机接口来实现。经过切换与控制处理的信号从L、R端输出。
六、多路输人/输出音频切换电路
上述介绍的几种电路均把多路输入切换到一路输出端,这在某些场合还不够用。图8为把多路音频输入切换到8路输出端口的一例实用电路。

ICl中的F1、F2两个“与非”门构成8kHz左右的振荡信号送入IC2 14脚(cP端)。IC2为时序脉冲分配计数器/十进制计数器,这里⑩脚Q4接15脚复位,以便构成4进制计数器,QO~Q3输出约2kHz的时序脉冲序列。Ic3、IC4、Ic9为双四D锁存器,其真值表前面已作介绍。K1、K2相当于片选开关,K1闭合,Ic3B、IC4A起作用,K2闭合,IC3A、IC4B起作用。下面分析K2
闭合的情况。
按下AN1~AN4中任意一键,例如按下AN2时,Ic2的Q1端高电平脉冲经D2到AN2加在R3上,此高电平同时经F3后使F1F2停振、加在IC2的13脚EN端,使之停止计数以保证在AN2按下期间Q0、Q1Q3端停止输出《恒为低电平)。与此同时,Ic9的cP端②脚为高电平时,Ic9接收D端数据并直接送到输出端Q即D1=D3=D4=Q1=Q3=Q4=“O”,Dz=Q2=“1”。IC9的Q2=1,则有IC3A、Ic4B的Q2=D2=“1”,电子开关Ic5c、Ic7c均闭合。2L、3R端的输入信号被切换到2L2、2R3的输出端。若K1闭合,AN2闭合时,则信号的切换关系为:3R=1R3,2L=1L2、K1、K2均闭合,则2L、3R端信号被分别切换到1L2、2L2,1R3、2R3端。
IC1的F4为自动清零电路。每次开机时,因R4c2的作用,F4输出短暂高电平,加至IC3、Ic4、Ic9的13、13、①、①脚,使它们清零。高电平之后为低电平,它们进入工作状态。AN5为手动清零开关。