
绝缘栅场效应管(IGFET) 的基本知识
1.增强型NMOS管

s:Source 源极,d:Drain 漏极,g:Gate 栅极,B:Base 衬底,在P型衬底扩散上2个N 区,P型表面加SiO2绝缘层,在N 区加铝线引出电极。
2.增强型PMOS管

在N型衬底上扩散上2个P 区,P型表面加SiO2绝缘层,在二个P 区加铝线引出电极。PMOS与NMOS管的工作原理完全相同,只是电流和电压方向不同。
3.增强型NMOS管的工作原理
正常工作时外加电源电压的配置:
(1)VGS=0, VDS=0:漏源间是两个背靠背串联的PN结,所以d-s间不可能有电流流过,即iD≈0。

(2)当VGS>0,VDS=0时:d-s之间便开始形成导电沟道。 开始形成导电沟道所需的最小电压称为开启电压VGS(th)(习惯上常表示为VT)。

沟道形成过程作如下解释:此时,在栅极与衬底之间产生一个垂直电场(方向为由栅极指向衬底),它使漏-源之间的P型硅表面感应出电子层(反型层)使两个N 区沟通,形成N型导电沟道。如果,此时再加上VDS电压,将会产生漏极电流iD。当VGS=0时没有导电沟道,而当VGS 增强到>VT时才形成沟道,所以称为增强型MOS管。并且VGS越大,感应电子层越厚,导电沟道越厚,等效沟道电阻越小,iD越大。
(3)当VGS>VT,VDS>0后, 漏-源电压VDS产生横向电场:由于沟道电阻的存在,iD沿沟道方向所产生的电压降使沟道上的电场产生不均匀分布。近s端电压差较高,为VGS;近d端电压差较低,为VGD=VGS-VDS,所以沟道的形状呈楔形分布。
	1)当VDS较小时:VDS对导电沟道的影响不大,沟道主要受VGS控制, 所以VGS为定值时,沟道电阻保持不变,iD随VDS 增加而线性增加。此时,栅漏间的电压大于开启电压,沟道尚未夹断, 。
。
2)当VDS增加到VGS-VDS=VT时(即VDS=VGS-VT):栅漏电压为开启电压时,漏极端的感应层消失,沟道被夹断,称为“预夹断”。

	3)当VDS再增加时(即VDS>VGS-VT或VGD=VGS-VDS<VT):iD将不再增加而基本保持不变。因为VDS再增加时,近漏端上的预夹断点向s极延伸,使VDS的增加部分降落在预夹断区,以维持iD的大小, 。
。
伏安特性与电流方程:
(1) 增强型NMOS管的转移特性:在一定VDS下,栅-源电压VGS与漏极电流iD之间的关系:

IDO是VGS=2VT时的漏极电流。
(2) 输出特性(漏极特性)
	表示漏极电流iD漏-源电压VDS之间的关系: 。
。

	与三极管的特性相似,也可分为3个区:可变电阻区,放大区(恒流区、饱和区), 截止区(夹断区)。可变电阻区管子导通,但沟道尚未预夹断,即满足的条件为: 。在可变电阻区iD仅受VGS的控制,而且随VDS增大而线性增大。可模拟为受VGS控制的压控电阻RDS,
。在可变电阻区iD仅受VGS的控制,而且随VDS增大而线性增大。可模拟为受VGS控制的压控电阻RDS, 。放大区(沟道被预夹断后),又称恒流区、饱和区。条件是:
。放大区(沟道被预夹断后),又称恒流区、饱和区。条件是: 。特征是iD主要受VGS控制,与VDS几乎无关,表现为较好的恒流特性。 夹断区又称截止区,管子没有导电沟道( VGS<VT )时的状态,
。特征是iD主要受VGS控制,与VDS几乎无关,表现为较好的恒流特性。 夹断区又称截止区,管子没有导电沟道( VGS<VT )时的状态, 。
。
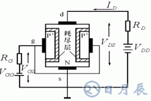
4.耗尽型NMOS管
在制造过程中,人为地在栅极下方的SiO2绝缘层中埋入了大量的K (钾)或Na (钠)等正离子 ;VGS=0,靠正离子作用,使P型衬底表面感应出N型反型层,将两个N 区连通,形成原始的N型导电沟道;VDS一定,外加正栅压(VGS>0),导电沟道变厚,沟道等效电阻下降,漏极电流iD增大; 外加负栅压VGS<0)时,沟道变薄,沟道电阻增大,iD减小;VGS负到某一定值VGS(off)(常以VP表示,称为夹断电压),导电沟道消失,整个沟道被夹断,iD≈0,管子截止 。
耗尽型NMOS的伏安特性:

	放大区的电流方程: ,IDSS为饱和漏极电流,是VGS=0时耗尽型MOS管的漏极电流。
,IDSS为饱和漏极电流,是VGS=0时耗尽型MOS管的漏极电流。
二、结型场效应管(JFET)
	结构与符号:
在N区两侧扩散两个P+区,形成两个PN结。两个P+区相连,引出栅极g。N体的上下两端分别引出漏极d和源极s。
	导电原理:
(1)VGS=0时,N型棒体导电沟道最宽(N型区)。有了VDS后,沟道中的电流最大。
(2)VGS<0时,耗尽层加宽(主要向沟道一测加宽),并向沟道中间延伸,沟道变窄。
当VGS<VP(称为夹断电压)时,二个耗尽层增大到相遇,沟道消失,这时称沟道夹断,沟道中的载流子被耗尽。若有VDS电压时,沟道电流也为零。所以属于耗尽型FET,原理和特性与耗尽型MOSFET相似。所不同的是JFET正常工作时,两个PN结必须反偏,如对N沟道JFET,要求VGS≤0。

加上负VGS电压和VDS电压以后,VGD的负压比VGS大,所以,二个反偏PN结的空间电荷区变得上宽下窄,使沟道形成楔形。

JFET通过VGS改变半导体内耗尽层厚度(沟道的截面积)控制iD,称为体内场效应器件;MOSFET主要通过改变衬底表层沟道的厚度来控制iD,称为表面场效应器件。
JFET的伏安特性(以N沟道JFET为例):伏安特性曲线和电流方程与耗尽型MOSFET相似。但VGS必定要反向偏置。

三、场效应管的主要参数
1.直流参数
开启电压VT: 增强型管的参数;夹断电压VP:耗尽型管的参数;饱和漏极电流IDSS: 指耗尽型管在VGS=0时的漏极电流;输入电阻 RGS(DC):因iG=0,所以输入电阻很大。JFET大于107Ω,MOS管大于1012Ω。
2.交流参数
	低频跨导(互导)gm: ,跨导gm反映了栅源电压对漏极电流的控制能力,且与工作点有关,是转移特性曲线上过Q点切线的斜率。gm的单位是mS;交流输出电阻rds:
,跨导gm反映了栅源电压对漏极电流的控制能力,且与工作点有关,是转移特性曲线上过Q点切线的斜率。gm的单位是mS;交流输出电阻rds: ,rds反映了漏源电压对漏极电流的影响程度,在恒流区内,是输出特性曲线上过Q点的切线斜率的倒数。其值一般为若几十kΩ。
,rds反映了漏源电压对漏极电流的影响程度,在恒流区内,是输出特性曲线上过Q点的切线斜率的倒数。其值一般为若几十kΩ。
3.极限参数
最大漏-源电压V(BR)DS :漏极附近发生雪崩击穿时的VDS;最大栅-源电压V(BR)GS : 栅极与源极间PN结的反向击穿电压;最大耗散功率PDM:同三极管的PCM相似,当超过PDM时,管子可能烧坏。