131 1300 0010
开关电源
当前位置: 首页>> 电源技术>>开关电源>>
  • 导航栏目
  • 逆变电源
  • 开关电源
  • 电机伺服
  • 其他电源
  • 常见的各种开关电源拓扑的优缺点对比
    常见的各种开关电源拓扑的优缺点对比
  • 常见的各种开关电源拓扑的优缺点对比
  •   发布日期: 2018-12-15  浏览次数: 1,397
    1、基本名词
    常见的基本拓扑结构

    ■Buck降压

    ■Boost升压

    ■Buck-Boost降压-升压

    ■Flyback反激

    ■Forward正激

    ■Two-Transistor Forward双晶体管正激

    ■Push-Pull推挽

    ■Half Bridge半桥

    ■Full Bridge全桥

    ■SEPIC

    ■C’uk
    基本的脉冲宽度调制波形
    这些拓扑结构都与开关式电路有关。
    基本的脉冲宽度调制波形定义如下:

    2、Buck降压

    特点
    ■把输入降至一个较低的电压。

    ■可能是最简单的电路。

    ■电感/电容滤波器滤平开关后的方波。

    ■输出总是小于或等于输入。

    ■输入电流不连续 (斩波)。

    ■输出电流平滑。
    3、Boost升压

    特点
    ■把输入升至一个较高的电压。

    ■与降压一样,但重新安排了电感、开关和二极管。

    ■输出总是比大于或等于输入(忽略二极管的正向压降)。

    ■输入电流平滑。

    ■输出电流不连续 (斩波)。
    4、Buck-Boost降压-升压

    特点

    ■电感、开关和二极管的另一种安排方法。

    ■结合了降压和升压电路的缺点。

    ■输入电流不连续 (斩波)。

    ■输出电流也不连续 (斩波)。

    ■输出总是与输入反向 (注意电容的极性),但是幅度可以小于或大于输入。

    ■“反激”变换器实际是降压-升压电路隔离(变压器耦合)形式。
    5、Flyback反激

    特点

    ■如降压-升压电路一样工作,但是电感有两个绕组,而且同时作为变压器和电感。

    ■输出可以为正或为负,由线圈和二极管的极性决定。

    ■输出电压可以大于或小于输入电压,由变压器的匝数比决定。

    ■这是隔离拓扑结构中最简单的

    ■增加次级绕组和电路可以得到多个输出。
    6、Forward正激

    特点

    ■降压电路的变压器耦合形式。

    ■不连续的输入电流,平滑的输出电流。

    ■因为采用变压器,输出可以大于或小于输入,可以是任何极性。

    ■增加次级绕组和电路可以获得多个输出。

    ■在每个开关周期中必须对变压器磁芯去磁。常用的做法是增加一个与初级绕组匝数相同的绕组。

    ■在开关接通阶段存储在初级电感中的能量,在开关断开阶段通过另外的绕组和二极管释放。
    7、Two-Transistor Forward双晶体管正激

    特点

    ■两个开关同时工作。

    ■开关断开时,存储在变压器中的能量使初级的极性反向,使二极管导通。

    ■主要优点:

    ■每个开关上的电压永远不会超过输入电压。

    ■无需对绕组磁道复位。
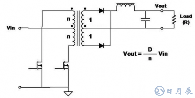
    8、Push-Pull推挽

    特点

    ■开关(FET)的驱动不同相,进行脉冲宽度调制(PWM)以调节输出电压。

    ■良好的变压器磁芯利用率---在两个半周期中都传输功率。

    ■全波拓扑结构,所以输出纹波频率是变压器频率的两倍。

    ■施加在FET上的电压是输入电压的两倍。
    9、Half-Bridge半桥

    特点

    ■较高功率变换器极为常用的拓扑结构。

    ■开关(FET)的驱动不同相,进行脉冲宽度调制(PWM)以调节输出电压。

    ■良好的变压器磁芯利用率---在两个半周期中都传输功率。而且初级绕组的利用率优于推挽电路。

    ■全波拓扑结构,所以输出纹波频率是变压器频率的两倍。

    ■施加在FET上的电压与输入电压相等。
    10、Full-Bridge全桥

    特点

    ■较高功率变换器最为常用的拓扑结构。

    ■开关(FET)以对角对的形式驱动,进行脉冲宽度调制(PWM)以调节输出电压。

    ■良好的变压器磁芯利用率---在两个半周期中都传输功率。

    ■全波拓扑结构,所以输出纹波频率是变压器频率的两倍。

    ■施加在 FETs上的电压与输入电压相等。

    ■在给定的功率下,初级电流是半桥的一半。
    11、SEPIC单端初级电感变换器

    特点

    ■输出电压可以大于或小于输入电压。

    ■与升压电路一样,输入电流平滑,但是输出电流不连续。

    ■能量通过电容从输入传输至输出。

    ■需要两个电感。
    12、C’uk(Slobodan C’uk的专利)

    特点

    ■输出反相

    ■输出电压的幅度可以大于或小于输入。

    ■输入电流和输出电流都是平滑的。

    ■能量通过电容从输入传输至输出。

    ■需要两个电感。

    ■电感可以耦合获得零纹波电感电流。
    13、电路工作的细节
    下面讲解几种拓扑结构的工作细节
    ■降压调整器:

    连续导电

    临界导电

    不连续导电

    ■升压调整器 (连续导电)

    ■变压器工作

    ■反激变压器

    ■正激变压器
    14、Buck-降压调整器-连续导电

    ■电感电流连续。

    ■Vout 是其输入电压 (V1)的均值。

    ■输出电压为输入电压乘以开关的负荷比 (D)。

    ■接通时,电感电流从电池流出。

    ■开关断开时电流流过二极管。

    ■忽略开关和电感中的损耗, D与负载电流无关。

    ■降压调整器和其派生电路的特征是:

    输入电流不连续 (斩波), 输出电流连续 (平滑)。
    15、Buck-降压调整器-临界导电

    ■电感电流仍然是连续的,只是当开关再次接通时 “达到”零。

    这被称为 “临界导电”。

    输出电压仍等于输入电压乘以D。
    16、Buck-降压调整器-不连续导电

    ■在这种情况下,电感中的电流在每个周期的一段时间中为零。

    ■输出电压仍然 (始终)是 v1的平均值。

    ■输出电压不是输入电压乘以开关的负荷比 (D)。

    ■当负载电流低于临界值时,D随着负载电流而变化(而Vout保持不变)。
    17、Boost升压调整器

    ■输出电压始终大于(或等于)输入电压。

    ■输入电流连续,输出电流不连续(与降压调整器相反)。

    ■输出电压与负荷比(D)之间的关系不如在降压调整器中那么简单。在连续导电的情况下:

    在本例中,Vin = 5,

    Vout = 15, and D = 2/3.

    Vout = 15,D = 2/3.
    18、变压器工作(包括初级电感的作用)

    ■变压器看作理想变压器,它的初级(磁化)电感与初级并联。
    19、反激变压器

    ■此处初级电感很低,用于确定峰值电流和存储的能量。当初级开关断开时,能量传送到次级。
    20、Forward 正激变换变压器

    ■初级电感很高,因为无需存储能量。

    ■磁化电流 (i1) 流入 “磁化电感”,使磁芯在初级开关断开后去磁 (电压反向)。
    21、总结
    ■此处回顾了目前开关式电源转换中最常见的电路拓扑结构。

    ■还有许多拓扑结构,但大多是此处所述拓扑的组合或变形。

    ■每种拓扑结构包含独特的设计权衡:

    施加在开关上的电压

    斩波和平滑输入输出电流

    绕组的利用率

    ■选择最佳的拓扑结构需要研究:

    输入和输出电压范围

    电流范围

    成本和性能、大小和重量之比
    本文转载自: 网络


  • ·上一篇:
    ·下一篇:
  • 其他关联资讯
    深圳市日月辰科技有限公司
    地址:深圳市宝安区松岗镇潭头第二工业城A区27栋3楼
    电话:0755-2955 6626
    传真:0755-2978 1585
    手机:131 1300 0010
    邮箱:hu@szryc.com

    深圳市日月辰科技有限公司 版权所有:Copyright©2010-2023 www.szryc.com 电话:13113000010 粤ICP备2021111333号