
为了成为最好,人们会付出旁人无法想象的努力。例如,运动员不知疲倦地进行训练,只是为了在比赛中能够快人毫秒。学生花费数年时间钻研学问,只为获得顶级学术成就。公司或机构组织花费数十年时间研究新技术,仅为了解决曾经只在科幻小说中出现的问题。最后 —— 技术控——电源工程师则致力于开发超群的高效的、高密度转换器。
我敢打赌,当你们中的大部分人启动了电路,至少在功率密度和效率方面取得了个人的最佳成果。回家后,你也许会激情满满地向你的配偶或孩子们讲述这段令人兴奋的经历,但这只会让他们对你的行为感到非常不解。
放心,您不会在此获得这样的反馈。就个人而言,我喜欢摸索新鲜事物,并尝试使之变得比以前更好。TI 推出了一个新型的控制器,UCC256301,目前正引发众人热议,因为它使电源性能表现出色。
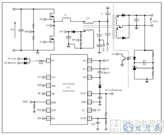
UCC256301 是 TI LLC 控制器系列中最新的一款产品,如图1所示。其特点和优点包括集成高压启动、x-cap 放电、强大的故障保护和一种绝对可靠的新控制方法等。
图1:UCC256301 系统框图
在竞品分析的过程中,UCC256301 在稳定裕量、易于设计、强大的保护机制、轻负载效率和瞬态干扰抑制等方面优于类似的器件。
言归正传,请看以下实例,我用 UCC256301 改装了一个商业游戏系统。图2所示为改装前后的负载瞬态响应。
图2:瞬态响应改善
原装电路板的性能其实不错。然而,请看 UCC256301 在那上面的表现!负载瞬态响应变得不那么重要。对于制造商来说,这可能意味着输出电容降低20%,更不用说其他组件在加强性能和整合方面的节省情况。图3中的框图说明了与此器件一样具有不同系统级电路所节省的地方。
图3:系统级组件节省
在同一个游戏系统中,我在突发模式(如图4,小10倍)和轻负载效率(如图5,提高10%的效率)中,实现了输出纹波电压的附加性能的提升。另一个系统中,即使在存在高压功率因数校正(PFC)输入的情况下,我也可测量小于 40mW 的空载功率,同时完全调节输出。在我看来,这举例说明了加速器件的概念。我试图告诉我的妻子和孩子们,但是他们却回以茫然的眼神。
图4:波纹提升
图5:效率提升
这个设备还有很多方面可供讨论;然而,它的核心是一种称为混合滞回控制(HHC)的新型控制架构。该控制架构结合了直接频率控制 LLC 和电荷控制 LLC 的优势,以获得优于其他的产品。实际上,这种控制方法对改善性能大有裨益。