
设计人员常常需要在高共模电压下测量小电压,尤其是在使用电源和电机驱动时。这与使用传感器时的接地回路问题有关,这两个问题均可通过有效使用隔离放大器来解决。
隔离放大器在其输入和输出之间提供电流阻断,因此仅传输所需信号并消除高共模电压。在基于传感器的监测系统中,隔离放大器在传感器之间保持接地分离以消除接地回路。隔离放大器普遍应用于电源、电机控制器、远程电压检测、生物医学测量和远程数据采集。
为了解释隔离放大器的工作原理以及如何有效地予以应用,本文将描述一个需要隔离的典型场景,然后讨论三种常见隔离方法:变压器耦合、光学耦合和容性耦合。在讨论过程中,本文将介绍每种方法的实用解决方案,最后给出一个采用参考设计的例子。
现代电源和电机驱动需要在高共模电压下测量小信号。设计人员如何使用阻性分流器测量一个偏置电压超过 300 V 的推挽式 FET 功率驱动器的负载电流(图 1a)?

图 1:在高共模电压下测量小电压降 (a) 并消除接地回路 (b) 是需要隔离的常见电路应用。(图片来源:Digi-Key Electronics)
上方 (a) 电路是用于控制电机或电机相位的典型功率驱动器。它通过改变传输至负载的脉冲波形的占空比来控制功率。供电电压(HV+ 和 HV-)大约为数百伏。分流电阻器 RSHUNT 上的电流检测电压大约为数十毫伏,但它取决于在 HV+ 和 HV- 之间摆动的脉冲波形。若将此电压施加到接地仪表或电流检测放大器的输入端,则会超过共模电压限制,并可能损坏器件。
同理,设计人员如何在多个太阳能电池单元组成的电池组之上测量单个电池单元的电压输出?一旦共模电压超过 80 V,就需要一些电隔离措施来将所需信号与之分离。
还要考虑如何将电路与接地回路隔离开的问题(图 1b)。信号通过同轴电缆从左侧的发射器源连接到右侧的接收器。来自其他电路的杂散接地电流可能会通过连接着两个接地的同轴屏蔽,找到一条返回路径。这会在电缆屏蔽串联阻抗上产生电压,导致 VG2 与 VG1 不同,从而在接收器输入端引起错误。
这两种应用都要求信号连接的隔离能力。解决办法是使用隔离放大器,在输入和输出之间提供电流隔离。隔离放大器仅传输所需信号,并消除高共模电压。隔离放大器能够消除系统中的接地回路,保持电路元件之间的接地分离。
隔离放大器是一种对其输入和输出电路(包括相关电源)之间进行电位隔离的放大器。这确保了输入和输出部分之间没有导电路径。两部分之间的漏电流极低,而且电介质击穿电压很高。输入级是差分放大器,用于衰减共模电压。它之所以能做到这一点,是因为输入彼此相差不到 1 V,并且放大器是浮动的,不以地为基准。通过精心设计和布局,最大限度减少各部分之间的杂散电容耦合,以免影响隔离。各部分之间的隔离由变压器、电容或光学耦合提供(图 2)。这些耦合方法通常会阻止信号的直流和低频成分。利用输入信号调制一个载波并发送全信号频谱,然后在器件输出端通过解调予以恢复,可以避免上述缺点。输入端和输出端均使用隔离电源。

图 2:通用隔离放大器,显示了三种常用隔离方法,包括变压器耦合、容性耦合和光学耦合。 (图片来源:Digi-Key Electronics)
所用调制技术取决于器件,但常用的有频率调制、脉冲宽度调制和三角积分调制。三角积分调制是最常遇到的。输入为差分式,输出配置可以是单端或差分式。请注意,隔离放大器的输入和输出部分具有单独的电源连接。一般而言,输入部分使用非以地为基准的“浮动”电源。保持良好的隔离性能要求将电源很好地隔离。
隔离放大器输入和输出之间的最大电压差额定值通常针对持续直流和交流电压而指定。瞬态的最大施加电压单独指定,与瞬态条件的时序有关。只要物理布局遵循器件输入和输出引脚之间的推荐间距(这在规格书中有详细说明),那么就适用这些规格。
变压器耦合隔离是历史上最古老的电路隔离方法。Analog Devices AD202JY 是一款磁性耦合隔离放大器(图 3)。

图 3:Analog Devices AD202JY 利用变压器耦合和 15 V 非隔离单电源实现 1000 V 直流隔离。 (图片来源:Analog Devices)
AD202JY 的最大隔离电压额定值为 750 V RMS AC (60 Hz) 和 1000 V DC,加上连续 AC。它使用双变压器,第一个用于信号路径。第二个将 25 kHz 载波从输出耦合到输入端,这也是调制器的载波。它还用于为输入部分生成双隔离电源输出,从而满足对单独隔离电源的需求。
放大器的增益由用户设置,范围是 1 到 100 V/V,其全功率带宽为 5 kHz。输出级是无缓冲差分输出,能够提供 ±5 V 电压。
光学耦合是在隔离放大器的输入和输出之间提供隔离的另一种可能方法。隔离放大器的输入部分驱动发光二极管 (LED),它发出的光由输出部分中的光电晶体管拾取(图 4)。该链路完全是光学的,LED 和光电晶体管之间没有电气连接。

图 4:Broadcom ACPL790X 隔离放大器系列的功能示意图显示了利用光学链路在输入和输出之间提供电隔离的方法。(图片来源:Broadcom Limited)
Broadcom ACPL790 系列隔离放大器将出色的光学耦合、三角积分转换器技术和斩波稳定放大器相结合,提供高压隔离、差分输出和 200 kHz 带宽。其 IEC/EN/DIN EN60747-5-5 工作绝缘电压为 891 V(峰值)。该系列有三款精度规格不同的产品。ACPL-7900 精度为 3%,ACPL-790A 精度为 1%,ACPL-790B 精度为 0.5%。
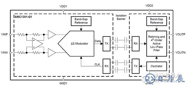
Texas Instruments AMC1301 隔离放大器代表第三种获得隔离的方法,即容性耦合(图 5)。

图 5:TI AMC1301 增强型隔离栅的每个分支使用两个串联电容器以提供容性隔离。(图片来源:Texas Instruments)
AMC1301 是差分输出隔离放大器,隔离电压额定值为 1500 V(峰值)。隔离放大器的输入级由差分放大器组成,后者驱动三角积分调制器。隔离时钟(载波)从内部派生。发射器 (TX) 驱动器将数据传输到双电容器隔离栅的另一侧。接收的调制数据经解调后,在低压侧与时钟同步,输出为差分信号。AMC1301 具有 8.2 的固定增益,标称带宽为 200 kHz(典型值)。
如前面所讨论的一样,AMC1301 的输入和输出侧需要隔离电源。
Texas Instruments (TI) 以 TINA-TI 仿真为 AMC1301 隔离放大器,提供了一个参考设计示例(TINA-TI 是 Texas Instruments 提供的免费电路仿真器)。该电路有一个 200 mV(峰值)、5 kHz 信号作为仿真输入,而共模电压为 500 V。差分输出的峰值幅度为 1.6 V,偏移为 0 V,驱动一个 10 kΩ 负载。此例展示了隔离放大器从输入信号中消除大共模偏移(本例中为 500 V)的威力。

图 6:Texas Instrument AMC1301 参考设计(在 TINA-TI 中以仿真运行)是 AMC1301 为 500 V 共模直流偏移提供隔离的一个例子。(图片来源:Digi-Key Electronics)
隔离放大器输入和输出之间的隔离可用来断开接地回路,例如图 1b 中所示的接地回路。将隔离放大器放置在发射器和接收器之间,就会断开其间通过同轴电缆形成的接地连接,二者之间没有直接接地路径(图 7)。

图 7:在发射器和接收器之间插入隔离放大器以消除原始同轴电缆连接造成的接地回路。(图片来源:Digi-Key Electronics)
无论基于磁性、光学还是容性耦合,隔离放大器都是一种有用的工具,可测量高共模电压上的小信号,或隔离电路接地以消除带宽高达 200 kHz 的系统中的接地回路。隔离放大器普遍应用于电源、电机控制器、远程电压检测、生物医学测量和远程数据采集。